Terminologia e Nomenclatura scale |
Gli elementi costitutivi della scala sono:
i gradini in cui si distinguono l'alzata che è l'altezza del gradino, la
pedata che è la misura in proiezione orizzontale
fra due gradini successivi, la larghezza, che è la misura effettiva del gradino compreso il sormonto, la
testa che è la parte del gradino che si affaccia sul pozzo della scala, lo
spigolo che è la parte che unisce alzata e pedata; stangone è detto l'ultimo gradino quando si immedesimi col piano finito del pianerottolo;
la rampa, cioè la serie di gradini compresa tra due pianerottoli, la cui superficie inferiore è detta sottorampa o intradosso; quando la rampa appoggia solo agli estremi viene detta
rampa a volo;
il pianerottolo è lo spazio che si trova alle estremità delle rampe; il
regettone o trave di bordo è quella parte del pianerottolo che serve per l'incastro delle rampe;
il parapetto ( o ringhiera o balaustra) chiude la scala verso l'eventuale parte libera, ed è costituito dai
capiscala o piantoni, che sorreggono il corrimano o mancorrente; sono detti corrimano o parapetti
interni quelli posti sul lato della rampa rivolto al pozzo della scala; il corrimano si dice
a parete quando sia direttamente fissato ad un muro di contenimento della scala, senza parapetto; per uso commerciale, si tende a chiamare
ringhiera il parapetto in salita proprio delle rampe della scala, e
balaustra il parapetto che protegge il pozzo della scala al piano di arrivo;
i cosciali (o fiancali o costole) che sono i sostegni dei gradini, specie nelle scale in legno o metallo.
Dal punto di vista grafico e costruttivo, si distinguono anche:
l'acqua
della scala, cioè la pendenza in avanti che si dà al gradino per
facilitare la pulizia;
la linea di percorso, che è
la linea ideale nella quale si percorre la scala nelle migliori
condizioni, generalmente posta tra i 35 ed i 45 cm. dal corrimano
interno;
la freccia di direzione, tracciata in
genere sulla mezzeria della scala in piano, e che indica sempre il senso
di salita della scala;
la numerazione dei gradini,
ove utilizzata, è sempre a salire, dalla quota più bassa alla più alta;
la gabbia o pozzo della scala, che è
lo spazio vuoto nel quale è collocata la scala;
l'anima
o tromba della scala, che è l'eventuale spazio
vuoto tra le rampe della scala.
Scale diritte, parti costruttive
- 1. Cosciale o costola o fiancale a parete
- 2. Cosciale a vista
- 3. Pedata
- 4. Alzata o sottogrado o fronte
- 5. Altezza rampa
- 6. Lunghezza rampa
- 7. Spessore sormonto
- 8. Profondità pedata
- 9. Altezza alzata
- 10 Testa del gradino
- 11. Caposcala
- 12. Colonnine
- 13. Trave di bordo
- 14. Stangone
Scale diritte, assieme generale
ABCD Gabbia della Scala
- 1. Lunghezza vano scala
- 2. Larghezza vano scala
- 3. Altezza interpiano o passo
- 4. Pianerottolo o ripiano
- 5. Pianerottolo intermedio
- 6. Larghezza pianerottolo
- 7. Prima rampa
- 8. Profondità pianerottolo
- 9. Sottorampa o intradosso
- 10. Primo gradino (s'intende sempre a salire)
- 11. Gradino di sbarco o ultimo gradino
- 12. Tromba o anima della scala
- 13. Freccia di direzione (s'intende sempre a salire)
- 14. Ingombro rampa (proiezione in piano)
- 15. Larghezza rampa
- 16. Caposcala
- 17. Inclinazione rampa o linea delle alzate
- 18. Rampa di sbarco
- 19. Alzata
- 20. Luce netta interpiano
- 21. Lunghezza rampa (lungo l'inclinazione)
- 23. Pedata
Tipi di sviluppo delle scale a giorno
Scale a chiocciola
Rispetto alle scale diritte, nelle chiocciole, specie quelle
prefabbricate, si distinguono alcuni elementi peculiari:
l'asse
centrale o piantone o tige,
che è l'elemento verticale, sempre in metallo, che individua il
centro della chiocciola e ne costituisce il sostegno principale, sul
quale, o intorno al quale, vengono posizionati i gradini;
i
distanziali, elementi cavi, generalmente
cilindrici, utilizzati per separare i gradini in altezza, e che
costituiscono le alzate della chiocciola;
la piastra di
base, posta alla base dell'asse centrale, che ha lo scopo
di fissarlo al pavimento di partenza e di sostenere il peso della
scala. Si tenga presente che, al contrario di una scala diritta, che
può essere, almeno parzialmente " appesa" al solaio di sbarco, una
scala a chiocciola è sempre una scala poggiata, il cui intero peso
grava sul solaio di partenza;
ilpianerottoloo
gradino di sbarco, di forma sempre diversa da tutti
gli altri, poiché in genere nelle chiocciole si accede attraversando
il raggio e si esce attraversando il lato o la circonferenza.
Dal punto di vista grafico e costruttivo si distinguono inoltre:
le scale a chiocciola a pianta rotonda o a
pianta quadrata, a seconda che la scala sia inscritta in un
cerchio od in un quadrato;
il diametro della scala a
pianta rotonda, od il lato della scala a pianta
quadrata, che costituiscono l'effettivo ingombro architettonico della
scala, distinto dal raggio, che è la parte sfruttabile
per l'inserimento di un gradino, ed in particolare dal raggio
utile o pedata utile, che è l'effettivo spazio
di passaggio tra l'asse centrale interno ed il corrimano esterno;
il
passo, che nelle scale a chiocciola è la distanza in
altezza tra due punti omologhi, e che non dovrebbe mai essere inferiore
a 2 m;
le chiocciole destrorse o orarie
(la scala gira verso destra salendo e si poggia la
mano sinistra sul corrimano) e sinistrorse o
antiorarie ( la scala gira verso sinistra salendo
e si poggia la mano destra sul corrimano).
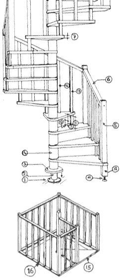
- 1. Piastra di base
- 2. Asse centrale o piantone o tige
- 3. Copripiastra
- 4. Distanziale centrale
- 5 Caposcala
- 6. Corrimano
- 7. Spessore gradino
- 8. Alzata
- 9. Pedata
- 10. Sormonto
- 11. Piedino laterale
- 12. Distanziale laterale
- 13. Colonnina
- 14. Colonnina intermedia
- 15. Pianerottolo o sbarco
- 16. Balaustra protezione foro
- 17. Passo della scala
- 18 Linea di percorso
Scale a chiocciola a pianta rotonda
Numero di gradini generalmente inseriti in un giro di 360° in ragione del diametro della scala.
Man mano che aumenta il diametro della scala, aumenta anche la profondità della pedata sulla linea di percorso, il che consente di aumentare il numero di gradini per giro e quindi di diminuire l'alzata, dato che il passo della scala comprende un numero maggiore di alzate
Non esiste uno standard assoluto e condiviso, ma le scale prefabbricate seguono grossomodo le indicazioni seguenti
Tipi di pianerottolo normalmente disponibili
Scale a chiocciola a pianta quadrata
Numero di gradini generalmente inseriti in un giro di 360° in ragione del diametro della scala.
Nelle chiocciole a pianta quadrata, al contrario che nelle chiocciole a pianta rotonda, i gradini non sono tutti uguali. Per motivi di semplicità costruttiva ed economia di costi, si tende perciò a limitare il numero di gradini per giro alle soluzioni che consentono di ridurre al minimo gli elementi costruttivi
Tipi di pianerottolo
